ZN12-40.5/630-20高壓真空斷路器
ZN12-40.5/630-25高壓真空斷路器
ZN12-40.5/630-31.5高壓真空斷路器
ZN12-40.5/1250-20 高壓真空斷路器
ZN12-40.5/1250-25 高壓真空斷路器
ZN12-40.5/1250-31.5高壓真空斷路器
ZN12-40.5/1600-25高壓真空斷路器
ZN12-40.5/1600-31.5高壓真空斷路器
ZN12-40.5/1600-40高壓真空斷路器
ZN12-40.5/2000-31.5 高壓真空斷路器
ZN12-40.5/2000-40高壓真空斷路器
ZN12-40.5/2500-40 高壓真空斷路器
ZN12-40.5/3150-40高壓真空斷路器
ZN12-40.5/4000-40高壓真空斷路器
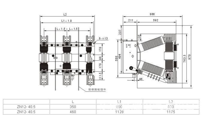
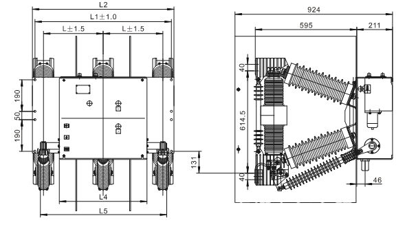
ZN12-40.5/1250-31.5型高壓真空斷路器是三相交流50Hz,額定電壓為40.5kV的戶內裝置。本斷路器的機構與滅弧室系統設計成一體,專用的西門子公司3AF型彈簧操動機構,采用兩用電動機進行交直流儲能操作,也可用于手動操作。本產品設計有:350mm,400mm,460mm 等多種相間距離,用戶與不同型號的開關柜配合使用更加方便。可在固定柜XGN17-40.5中使用,也可在JYN1-40.5 、KYN12-40.5柜中使用。
主要技術參數序號參數項目單位技術參數
1額定電壓kV12
2額定短路開斷電流kA31.54050
3額定電流A1250 1600 2000 25001600 2000 31502000 3150
4額定峰值耐受電流kA80100125
5額定短時(4S)耐受電流kA31.54050
6額定短路關合電流(峰值)kA80100125
7額定短路電流開斷次數次502012
8額定操作順序分-0.3S-合分-180S合分分-180S-合分-180S合分
9額定雷電沖擊耐受電壓(全波)kV75
10額定短時工頻耐受電壓(1分鐘)kV42
11合閘時間mS≤7512分閘時間mS≤60
13機械壽命次10000/6000(50kA)
14額定電流開斷次數次10000/6000(50kA)
15儲能電動機功率W275
16儲能電動機額定電壓V110 220
17儲能時間S≤15
18合閘電磁鐵額定電壓V110 220
19分閘電磁鐵額定電壓V110 220
20儲能式脫扣器額定電壓V110 220
21合閘聯鎖器定電壓V110 220
22失壓脫扣器額定電壓V110 220
23過流脫扣器額定電流A5, 3.5, 1
24輔助開關額定電流AAC10 DC5
25額定單個電容器組開斷電流A630
26額定背對背電容器組開斷電流A400
機械特性調整參數序號參數項目單位技術參數
1觸頭開距mm11±111±111±1
2觸頭超行程mm8±28±25±1
3合閘速度m/S0.6~1.10.8~1.30.8~1.3
4分閘速度m/S1.0~1.41.0~1.81.0~1.8
5觸頭合閘彈跳時間mS≤2
6相間中心距離mm210 ±1.5230±1.5280±1.5
7三相觸頭合分閘同期性mS≤2
8每相回路電阻 Ω≤30(40)注:合閘速度指觸頭最后6mm時的平均速度.
分閘速度指觸頭剛入6mm時的平均速度
采用小型化滅弧室,每相回路電阻≤40 Ω
ZN12-40.5/1250-31.5
真空斷路器為額定電壓12kV,三相交流50Hz的戶內高壓開關設備,適用于發電廠,變電站及輸配電系統作為控制與保護設備。特別是開斷重要負荷及一些需要頻繁操作的場合。
主要特點:
1. 機構簡單,開斷能力強,壽命長,操作功能齊全,無爆炸危險,
2. 適用范圍廣,可滿足全工況條件的要求,
3. 爬電比距大于20mm/kV,電氣間隙大于138mm,
4. 試驗參數提高,開斷電流31.5kA的斷路器,其額定短路關合電流和額定峰值耐受電流達100kA,開斷電流40kA的斷路器,其額定短路關合電流和額定峰值耐受電流達130kA,另外其非對稱開斷的直流分量為45%
5. 通過燃弧試驗和凝露污穢試驗。
ZN12-40.5/1250-31.5主要技術參數
序號
參 數 名 稱
單位
ZN12-10Ⅰ
ZN12-10Ⅱ
ZN12-10Ⅲ
ZN12-10Ⅳ
ZN12-10Ⅴ
1
額定電壓
kV
10
2
最高工作電壓
kV
12
3
額定雷電沖擊耐壓
kV
75
4
1min工頻耐壓
kV
42
5
額定電流
A
630
1250
2000
1250
2000
2500
2500
3150
4000
6
額定頻率
HZ
50(60)
7
額定短路開斷電流
kA
16
25
31.5
40
50
8
額定短路關合電流(峰值)
kA
40
63
80(100)
100(130)
125
9
額定短時耐受電流
kA
16
25
31.5
40
50
10
額定峰值耐受電流
kA
40
63
80(100)
100(130)
125
11
額定短路開斷電流開斷次數
次
50
20
12
額定失步開斷電流
kA
12.5
13
額定操作順序
分-0.3s-合分–180s-合分
分-180s-合分–180s-合分
14
額定電流開斷次數
次
10000
15
機械耐久
次
10000
16
額定電容器組開斷電流
A
630
17
額定短路持續時間
s
4
18
觸頭合閘彈跳時間
ms
≤2
≤3
19
合閘時間
ms
≤85
20~85
20
分閘時間
ms
≤60
25~60
21
開斷時間
ms
≤80
22
觸頭累計磨損厚度
mm
3
23
儲能電機功率
W
350
儲能電機電壓
V
AC110;AC220;DC110;DC220
25
額定電壓儲能時間
s
≤15
26
合閘電磁鐵額定電壓
V
AC110;AC220;DC110;DC220
27
分閘電磁鐵額定電壓
V
AC110;AC220;DC110;DC220
28
儲能式脫扣器額定電壓
V
AC110;AC220;DC110;DC220
29
欠壓脫扣器額定電壓
V
AC110;AC220;DC110;DC220
30
過流脫扣器額定電流
A
2.5
31
輔助開關額定電流
A
AC10、DC5
32
重量
kg
120
120
124
130
308
33
外形尺寸(長×寬×高)
mm
640×700×620
678×764×747
注:括號內數值為超標準達到的數值。




推薦資訊 / Recommended News
- 2022-08-24 持久淺談真空斷路器的理倫
- 2022-08-24 持久淺淡真空斷路器
- 2022-08-24 智能真空斷路器的技術問題解答
- 2022-08-24 ZW32真空斷路器核心作用
- 2022-08-24 真空斷路器比較難處理的問題
- 2022-08-24 高壓真空斷路器的維護安裝
- 2022-07-23 真空斷路器壽命是哪些因素影響的
- 2022-07-23 真空斷路器跳閘次數多有沒有影響
- 2022-07-23 真空斷路器試驗過程中的事項
- 2022-07-23 真空斷路器原則和功能的研究范圍
樂清市持久電氣有限公司
收藏本站
聯系持久







