概述
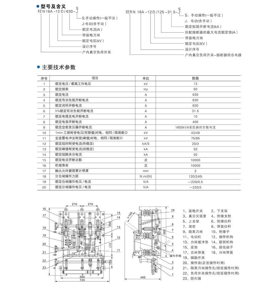
FZN16A- 12D/630型戶內交流高壓真空負荷開關及FZN16A- 12RD/200- 31.5型負荷開關-熔斷器組合電器性能達到GB3804-90<3~63kV交流高壓負荷開關>和IEC420<交流高壓負荷開關-熔斷器組合電器>(1990年版)國際標準及國家標準(報批稿)的要求。具有體積小、外形美觀、安裝靈活、操作力小、開斷安全可靠、電壽命長、可頻繁每操作、開斷轉移電流大、基本不需要維護,有明顯的隔離斷口且具有手、電動二用功能,可實現遠距離控制等優點。負荷開關-熔斷器組合電器還具有保護變壓器過載,防止設備缺相運行的功能。
FZN16A- 12D/630型負荷開關和FZN16A- 12RD/200- 31.5型組合電器適用于交流50Hz,額定電壓6~ 10kV的網絡中。FZN16A- 12D/630可開斷負荷電流,FZN16A- 12RD/200-31.5可開斷負荷電流、過載電流和短路電流,特別適用于無油化、不檢修及頻繁操作要求的場所。本產品可配用CS6 - 1型操作機構,也可在開關上直接操作,不必另附操作機構。選用FZN16A- 12 -J型開關可同時實現電動和手動操作。

推薦資訊 / Recommended News
- 2022-08-24 持久淺談真空斷路器的理倫
- 2022-08-24 持久淺淡真空斷路器
- 2022-08-24 智能真空斷路器的技術問題解答
- 2022-08-24 ZW32真空斷路器核心作用
- 2022-08-24 真空斷路器比較難處理的問題
- 2022-08-24 高壓真空斷路器的維護安裝
- 2022-07-23 真空斷路器壽命是哪些因素影響的
- 2022-07-23 真空斷路器跳閘次數多有沒有影響
- 2022-07-23 真空斷路器試驗過程中的事項
- 2022-07-23 真空斷路器原則和功能的研究范圍
樂清市持久電氣有限公司
收藏本站
聯系持久







