一、產品概述
SF6氣體具有優越的絕緣與滅弧性能,SF6電器是目前性能最好的電器,在國內外、SF6高壓電器已成為公認的發展方向。
LW3-10 Ⅰ ⅡⅢ型戶外高壓六氟硫斷路器(以下簡稱“ⅠⅡⅢ型斷路器”)是以六氟化硫氣體作為滅弧和絕緣介質的新型戶外高壓電器。其滅弧室采用自能旋弧滅弧原理,操動機構分(Ⅰ型)手動儲能彈簧操動機構。 (Ⅱ型)電動機儲能彈簧操動機構,(Ⅲ型)直流電磁操動機構叁種,各種操動機構均與斷路器本體完善地組合成一個整體。
二、使用環境條件
環境溫度:上限+40度,下限-40度
海拔高度不超過1000m
風壓不超過700Pa(風速不大于35m/s)
地震烈度不超過8度
沒有火災、爆炸危險、嚴重污穢、化學腐蝕及劇烈振動的場所。
三、主要技術參數
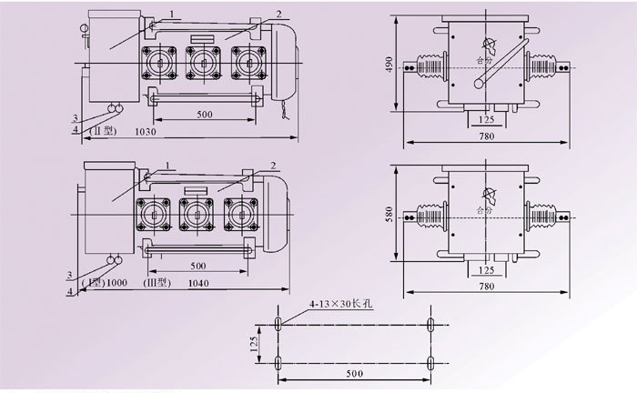
四、外形及安裝尺寸
五、戶外安裝方式示意圖
推薦資訊 / Recommended News
- 2022-08-24 持久淺談真空斷路器的理倫
- 2022-08-24 持久淺淡真空斷路器
- 2022-08-24 智能真空斷路器的技術問題解答
- 2022-08-24 ZW32真空斷路器核心作用
- 2022-08-24 真空斷路器比較難處理的問題
- 2022-08-24 高壓真空斷路器的維護安裝
- 2022-07-23 真空斷路器壽命是哪些因素影響的
- 2022-07-23 真空斷路器跳閘次數多有沒有影響
- 2022-07-23 真空斷路器試驗過程中的事項
- 2022-07-23 真空斷路器原則和功能的研究范圍
樂清市持久電氣有限公司
收藏本站
聯系持久







